Прайс-лист
Оптовые цены!
Цель нашей компании - предложение широкого ассортимента товаров и услуг на постоянно высоком качестве обслуживания.


В наличии

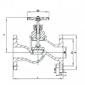
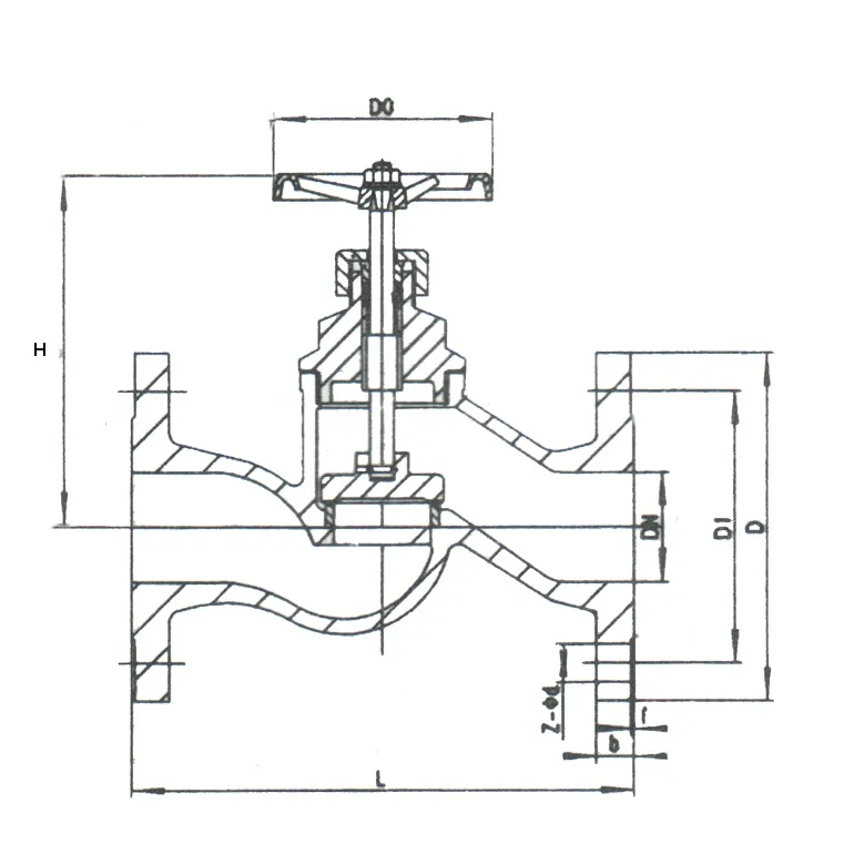
Чугунный клапан 15кч19п фланцевого исполнения используется в качестве запорного устройства для перекрывания в системных трубопроводах воды или пара с рабочей температурой до 225°С и рабочим давлением до 16 атмосфер.
Заказать товар Задать вопрос

Чугунные клапаны 15кч19п выпускаются диаметрами условными: Ду25, Ду32, Ду40 и Ду50. Монтируется на трубопроводе таким образом, чтобы стрелка направления среды на корпусе вентиля совпадала с направлением потока рабочей среды в трубопроводе. Закрытие вентиля происходит по часовой стрелке, открытие-против часовой.

Технические характеристики

  • Номинальное давление: 1.6 МПа (16 атмосфер)
  • Рабочая среда: вода, пар.
  • Температура рабочей среды: до 225°С.
  • Материалы основных деталей: корпус - ковкий чугун, шток - углеродистая сталь, уплотнение - фторопласт.

Габаритные, присоединительные размеры 15кч19п

 Диаметр L, мм D, мм D1, мм n-d0 H, мм Do, мм
15кч19п Ду25 120 115 85 апр.14 127 68
15кч19п Ду32 140 135 100 апр.18 148 80
15кч19п Ду40 170 145 110 апр.18 170 88
15кч19п Ду50 200 160 125 апр.18 192 96
Заказать товар
Оформите заявку на сайте, мы свяжемся с вами в ближайшее время и ответим на все интересующие вопросы.
 
Вернуться к списку